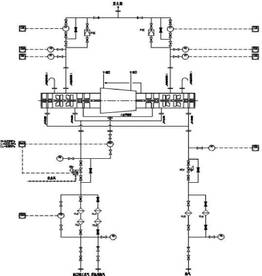
為了保證干氣密封運行的可靠性,每套干氣密封都有與之相匹配的監測控制系統,使得密封工作在最佳設計狀態,當密封失效時系統能及時報警,有利于維修工人以最快速度處理現場事故。下面以典型的串聯式干氣密封系統為例做簡單介紹。
下圖為該系統示意簡圖。該密封正常運行時是由機組出口端引出一股氣,經過兩級過濾器(過濾精度3μm)后成為干燥、潔凈的氣體作為干氣密封的緩沖氣進入密封腔。控制其壓力稍高于正常運行時的參考氣管工藝氣壓力(通常50KPa),其作用是阻擋未凈化工藝氣中的粉塵、凝縮油等雜質進入密封端面對干氣密封的正常工作產生不利的影響。系統由一差壓變送器測量緩沖氣與參考氣之間的差壓,信號通過電氣轉換控制安裝在緩沖氣入口處的氣動薄膜調節閥,以調節緩沖氣的入口壓力使其維持與參考氣的恒定壓差。進入密封腔的緩沖氣的絕大部分通過梳齒密封回到工藝氣內。剩余的一小部分通過第一級干氣密封的端面漏出,稱為一級泄漏氣。當中的大部分被引入火炬安全的燃燒掉。

第二級干氣密封作為輔助安全密封,雖然不承受介質的壓力,但需要在適當的壓差下端面才可形成穩定的氣膜而長期理想的運行,系統通過在一級泄漏氣出口端設置節流閥,調整閥門孔徑使其產生約適當的背壓來滿足要求。節流閥同時還起到一級密封失效時限制泄漏量的作用。另引一路氮氣為隔離氣,經過濾器、減壓閥后引入后置的梳齒阻隔密封中間。控制其壓力稍高于軸承箱油壓(通常為大氣壓),形成一個性能可靠的阻塞密封系統。可保證軸承箱中的潤滑油不進入干氣密封,也可避免殘余的工藝氣進入軸承區域污染潤滑油。隔離氣的一部分進入軸承箱,另一部分與一級泄漏氣中剩余的極少量未被燃燒的工藝氣混合,稱為二級泄漏氣。可作為對環境無害的氣體引入安全場所排放。
判斷密封是否正常工作主要通過對一級泄漏氣的監測來進行。一級干氣密封如出現異常,壓力和流量會明顯增大。如達到設定的高報警值,會通過壓力變送器傳至控制室,發出報警信號,提醒操作人員檢查控制系統壓力是否在設計范圍。當氣體泄漏量達到高高報警值時,表明干氣密封已經失效,系統連鎖停車,保證設備不受損壞。